MODUL 2 : FLIP-FLOP
Modul 2
Flip-Flop
1. Merangkai dan menguji rangkaian flip-flop
1. Panel DL 2203D
2. Panel DL 2203C
3. Panel DL 2203S
4. Jumper
Flip-Flop
Flip-flop adalah rangkaian elektronika yang memilki dua kondisi stabil dan dapat digunakan untuk menyimpan informasi. Flip-flop merupakan pengaplikasian gerbang logika yang bersifat Multivibrator Bistabil. Dikatakan Multibrator Bistabil karena kedua tingkat tegangan keluaran pada Multivibrator tersebut adalah stabil dan hanya akan mengubah situasi tingkat tegangan keluarannya saat dipicu (trigger). Flip-flop mempunyai dua Output (Keluaran) yang salah satu outputnya merupakan komplemen Output yang lain.
a. R-S Flip-Flop
R-S Flip-flop merupakan dasar dari semua flip-flop yang memiliki 2 gerbang inputan atau masukan yaitu R dan S.
Gambar 2.3 R-S Flip-Flop
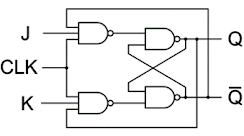
b. J-K Flip-Flop
J-K Flip-flop merupakan flipflop yang tidak memiliki kondisi terlarang atau yanng berarti diberi berapapun inputan asalkan terdapat clock maka akan terjadi perubahan pada keluaran atau outputnya.
Gambar 2.4 JK Flip-Flop
c. D Flip-Flop
D Flip-flop merupakan salah satu jenis flip-flop yang dibangun dengan menggunakan flip-flop R-S . Perbedaan dengan R-S flip-flop terletak pada inputan R, dan D Flip-flop inputan R terlebih dahulu diberi gerbang NOT.
Gambar 2.5 D Flip-Flop
d. T Flip-Flop
T Flip-flop merupakan rangkaian flip-flop yang telah di buat dengan menggunakan J-K Flip-flop yang kedua inputannya dihubungkan menjadi satu. Jika input T nya aktif dan dipengaruhi oleh clock maka outputnya akan berubah dan jika T tidak aktif walaupun dipengaruhi oleh clock maka outputnya tidak berubah.
Gambar 2.6 T Flip-Flop









Komentar
Posting Komentar